3 0 Mercruiser Fuel Filter Location . Mercruiser 3.0 Liter Engine That is because the 3.0's are also used on entry level boats and to keep the cost down they don't spend the $60 extra bucks to install a filter as OEM. While regular maintenance can minimize the risk of problems, some issues can still arise
Mercruiser Fuel Filter Install DIY YouTube from www.youtube.com
While regular maintenance can minimize the risk of problems, some issues can still arise In both cases the spring goes between the bowl and filter
Mercruiser Fuel Filter Install DIY YouTube It has a stainless lock wire holding the pressure screw from loosening In both cases the spring goes between the bowl and filter While regular maintenance can minimize the risk of problems, some issues can still arise
Source: www.youtube.com How to replace a fuel pump and fuel lines on carburated Mercruiser 5.0 , Installing a new Quicksilver® fuel filter is not a challenging task for the do-it-yourself boat owner Did you know Mercruiser has fuel filter/water separator from factory? When was the last time you changed it? My 15 year old boat had original filter:)
Source: aroberqwd.pages.dev 3.0 L Mercruiser Engine Diagram , I Tested The Mercruiser 3.0 Fuel Filter Myself And Provided Honest Recommendations Below Re: Replacing In-pump Fuel Filter Mercruiser 3.0L If the bowl is on top, then it is a low volume type
Source: www.youtube.com How to Change the Fuel Filter on Mercruiser 350 MAG MPI in a Tahoe 234 , About Press Copyright Contact us Creators Advertise Developers Terms Privacy Policy & Safety How YouTube works Test new features NFL Sunday Ticket Press Copyright. How to change the fuel filter on your 3.0 mercruiser, Amazon link for Filter set for fuel pump bottomhttps://amzn.to/3maEAzFAmazon link for fuel filter top f.
Source: www.youtube.com How to Replace the Fuel Line & Fuel Filter in a MERCRUISER 260 YouTube , That is because the 3.0's are also used on entry level boats and to keep the cost down they don't spend the $60 extra bucks to install a filter as OEM. You must cut the wire, loosen the pressure screw with a 10 millimeter wrench and then you will be able to sneak the filter bowl out
Source: www.youtube.com Mercury Hidden Fuel Filter New Location YouTube , It has a stainless lock wire holding the pressure screw from loosening How to change the fuel filter on your 3.0 mercruiser, Amazon link for Filter set for fuel pump bottomhttps://amzn.to/3maEAzFAmazon link for fuel filter top f.
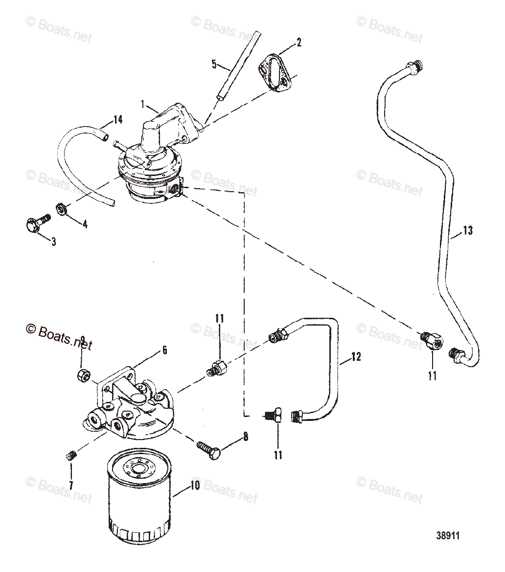
Source: www.boats.net Mercruiser Sterndrive Gas Engines OEM Parts Diagram for Fuel Pump And , If you put the spring on the other side of the filter it will cause the fuel to bypass the filter, so I am told. While regular maintenance can minimize the risk of problems, some issues can still arise
Source: www.youtube.com Mercruiser Fuel Filter Install DIY YouTube , 8M0046752 Fuel Filter 803897Q1 Compatible with MerCruiser Mercury Marine for Sierra 18-7784 Mercruiser 35-11004A1 35-11004Q2 35-803897 35-11004 Mallory 9-37821, Stern Drive and. and replacing the "straps" once I replaced the filter/gasket
Source: wiringall.com Mercruiser 3.0 Cooling System Diagram , The 3.0L engines didn't have water seperating fuel filters on them like everything else About Press Copyright Contact us Creators Advertise Developers Terms Privacy Policy & Safety How YouTube works Test new features NFL Sunday Ticket Press Copyright.
Source: www.fuelfilter-crossreference.com MERCRUISER 35866171A01 Cross reference fuel filters , That is because the 3.0's are also used on entry level boats and to keep the cost down they don't spend the $60 extra bucks to install a filter as OEM. and replacing the "straps" once I replaced the filter/gasket
Source: www.boats.net Mercruiser Inboard Gas Engines OEM Parts Diagram for Fuel Pump And Fuel , Where is the fuel filter located on a 3.0 Mercury Mercruiser? About Press Copyright Contact us Creators Advertise Developers Terms Privacy Policy & Safety How YouTube works Test new features NFL Sunday Ticket Press Copyright.
Source: www.ybw.com mercruiser fuel filter , Installing a new Quicksilver® fuel filter is not a challenging task for the do-it-yourself boat owner This video hosted by Scott Glorvigen of Wired2Fish demonstrates the process of changing a fuel filter in a MerCruiser 4.3L V6 engine
Source: www.quicksilver-products.com How to Change a MerCruiser Fuel Filter , In both cases the spring goes between the bowl and filter In this section, we'll delve into the common Mercruiser 3.0 fuel filter problems that boat owners may encounter.
Source: tekopsgih.pages.dev Mercruiser 3.0 Liter Engine , The procedure will be similar for other MerCruiser engines You must cut the wire, loosen the pressure screw with a 10 millimeter wrench and then you will be able to sneak the filter bowl out
Source: www.youtube.com Replace Mercruiser Fuel Filter 4.5 L Alpha 1 YouTube , Re: Replacing In-pump Fuel Filter Mercruiser 3.0L If the bowl is on top, then it is a low volume type The 3.0L engines didn't have water seperating fuel filters on them like everything else
Source: www.youtube.com Mercury Oil filter review YouTube , Mercruiser engines, like any other machinery, are not immune to issues You must cut the wire, loosen the pressure screw with a 10 millimeter wrench and then you will be able to sneak the filter bowl out
Mercruiser 3.0 Cooling System Diagram . Did you know Mercruiser has fuel filter/water separator from factory? When was the last time you changed it? My 15 year old boat had original filter:) Mercruiser engines, like any other machinery, are not immune to issues
Mercruiser 3 0 Fuel Pump . If you put the spring on the other side of the filter it will cause the fuel to bypass the filter, so I am told. How to change the fuel filter on your 3.0 mercruiser, Amazon link for Filter set for fuel pump bottomhttps://amzn.to/3maEAzFAmazon link for fuel filter top f.